进口电液换向阀的内控、外控、内泄、外泄是在什么场合下使用的呢?
德益恩机电http://www.ksdyejd.com进口电液换向阀的内控、外控、内泄、外泄是在什么场合下使用的呢?大兰液压告诉您不同的控制方式与泄油方式可通过阀上堵头的设置进行切换。
电液换向阀的内控、外控、内泄、外泄是在什么场合下使用的呢?大兰液压告诉您不同的控制方式与泄油方式可通过阀上堵头的设置进行切换。
电液换向阀控制油x可以取自主油路的P口(内控),也可以另设独立油源(外控)。
对于高压液压系统(P压力高),为防止换向冲击,控制油x不能取自主P口,要另设压力较低的独立油源,即采用外控式。
采用外控时,独立油源的流量不得小于主阀最大通流量的15%,以保证换向时间要求。
对于低压液压系统(P压力低),控制油x可以取自主油路的P口,即采用内控式。
用内控时,主油路必须保证最低控制压力(0.3~0.5MPa)。
电磁阀的回油y可以单独引出(外泄),也可以在阀体内与主阀回油口T沟通,一起排回油箱(内泄)。
对于主阀回油口T压力高的系统,为防止T背压过高导致先导阀回油y也过高,引起主阀换向阻力过大,回油y要与T隔开,单独回油箱,即采用外泄式。
对于回油口T压力低的系统,回油y可与T沟通,采用内泄式。
电液换向阀的内控、外控、内泄、外泄是在什么场合下使用的呢?大兰液压告诉您不同的控制方式与泄油方式可通过阀上堵头的设置进行切换。
电液换向阀控制油x可以取自主油路的P口(内控),也可以另设独立油源(外控)。
对于高压液压系统(P压力高),为防止换向冲击,控制油x不能取自主P口,要另设压力较低的独立油源,即采用外控式。
采用外控时,独立油源的流量不得小于主阀最大通流量的15%,以保证换向时间要求。
对于低压液压系统(P压力低),控制油x可以取自主油路的P口,即采用内控式。
用内控时,主油路必须保证最低控制压力(0.3~0.5MPa)。
电磁阀的回油y可以单独引出(外泄),也可以在阀体内与主阀回油口T沟通,一起排回油箱(内泄)。
对于主阀回油口T压力高的系统,为防止T背压过高导致先导阀回油y也过高,引起主阀换向阻力过大,回油y要与T隔开,单独回油箱,即采用外泄式。
对于回油口T压力低的系统,回油y可与T沟通,采用内泄式。
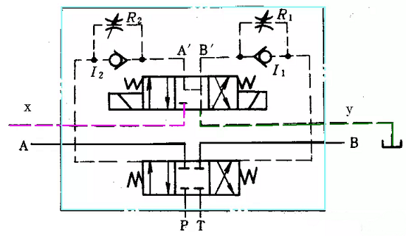
下图所示为外控外泄式电液换向阀油路,此类阀用于高压系统同时主回油路压力(背压)较高的场合。
下图所示为内控内泄式电液换向阀油路,此类阀用于低压系统同时主回油路压力(背压)较低的场合。
下图所示为内控内泄式电液换向阀油路,此类阀用于低压系统同时主回油路压力(背压)较低的场合。
下图所示为外控内泄式电液换向阀油路,适用于高压系统同时主回油路压力(背压)较高的场合。




